Arbeidsanstaltens fasade mot øst. Tegning fra ombyggingsarbeider i 1913/14.
Arbeidsanstaltens fasade mot øst. Tegning fra ombyggingsarbeider i 1913/14.
Bilde: Stadsarkitekt Kasper Hassel. Bygningssjefen i Bergen, Bergen byarkiv.

Tvangsarbeidsanstalten i Bergen

Hovedregistrene fra 1843 - 1889 til Tvangsarbeidsanstalten i Bergen er tilgjengelig på Digitalarkivet.

Bakgrunn og opprettelse av anstalten

I 1813 kom en offentlig kunngjøring (Cancelli‑Plakat) som bestemte at løsgjengere som tidligere ble plassert i tukthus, i stedet skulle overføres til arbeidsanstalter. Året etter, i 1814, ble Arbeidsanstalten i Bergen etablert. Den lå i tidligere Allehelgens gate 3 (rode 18 nr. 6) og ble drevet av fattigvesenet. Driften ble imidlertid avviklet på 1830‑tallet som følge av økonomiske problemer. Etter den tid ble bygget benyttet som bosted for fattiglemmer. 

Tvangsarbeidsanstalten av 1850. Ukjent år.
Tvangsarbeidsanstalten av 1850. Ukjent år.
Bilde: Ukjent fotograf.

Straffeloven av 1842 slo ytterligere fast at betlere og løsgjengere ikke lenger kunne settes inn på Tukthuset. Samtidig hadde byen ingen passende institusjon for denne gruppen. På 1840‑tallet besluttet man derfor å opprette Tvangsarbeidsanstalten for å redusere fattigvesenets utgifter til arbeidsføre personer. Institusjonen skulle også ha plass til den tidligere Arbeidsanstalten. Fattigloven av 1845 legaliserte myndighetenes adgang til å tvangsinnsette personer som oppfylte lovens kriterier.

Organisering og innsettelse

Ifølge statuttene kunne følgende grupper plasseres i anstalten:
"1. Omstreifende betlere, hvad enten de nyter eller ikke nyter nogen understøttelse av fattigvæsenet.
2. Enhver arbeidsdygtig person som forlanger understøttelse av fattigvæsenet.
3. Saadanne personer eller individer som ved lastefulde vandel foranlediger at det offentlige maa dra omsorg for deres barn." 
(Hentet fra Bergen 1814 - 1914, utgitt 1915).

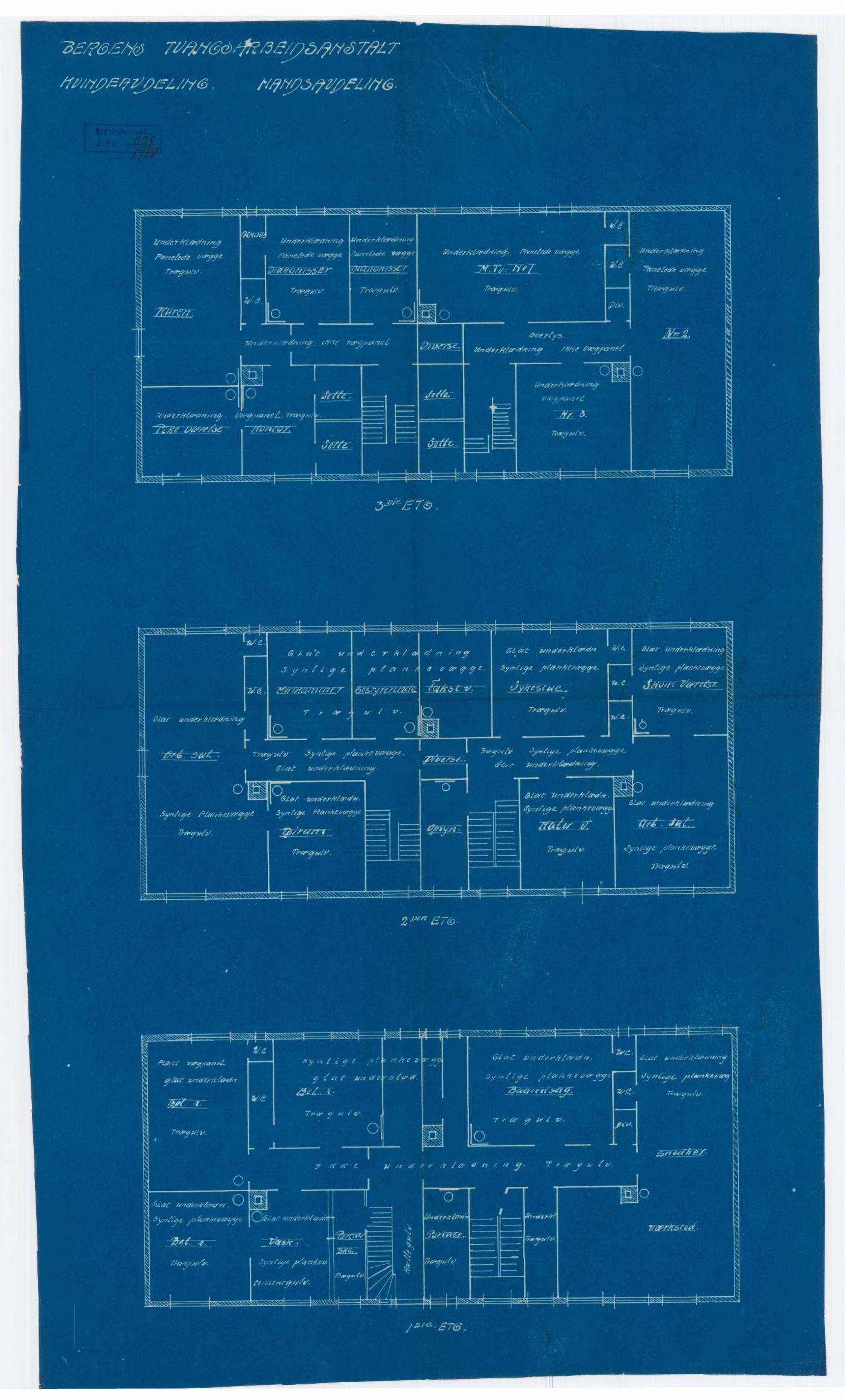
Plantegning av Arbeidsanstalten
Plantegning av Arbeidsanstalten fra ombyggingsarbeider i 1913/14.
Bilde: Stadsarkitekt Kasper Hassel. Bygningssjefen i Bergen, Bergen byarkiv.

Fra 1846 ble anstalten delt i en fattigavdeling og en tvangsarbeideravdeling. Opphold ved fattigavdelingen var mer eller mindre frivilling etter avslag på fattigstøtte, mens innsettelse på tvangsarbeidsavdelingen skjedde etter en administrativ avgjørelse av fattigkommisjonen eller politiet, uten rettssak og dom. Klientellet på de to avdelingene overlappet delvis. Personer som ble kategorisert som “tvangsarbeidere” var underlagt strengere regler og måtte bære spesialsydde vadmelsdrakter i gult og grått. Bakgården var omkranset av et høyt gjerde for at de innsatte ikke skulle rømme. 

I tillegg kunne kvinner som ikke forsørget sine uekte barn, settes inn. Fra 1892 ble også de såkalte kronearbeiderne innlemmet. Dette var menn som unnlot å betale barnebidrag for uekte barn eller for barn de hadde med fraskilte kvinner. Etter hvert omfattet dette også gifte menn som ikke forsørget sin familie. Gamle og syke – de verdige fattige, samt barn under 15 år skulle ikke settes inn.

Hvem var de innsatte?

Tvangsarbeidanstaltens luftegårder.
Tvangsarbeidanstaltens "Lufteplads", en for kvinner og en for menn.
Bilde: Bygningssjefen i Bergen, Bergen byarkiv.

Meningen var å samle de fattige som hadde noe av sin arbeidskraft i behold, og la dem arbeide for fattigstøtten som de mottok. 

Flertallet av de innsatte var menn; bare én av fire var kvinner. Mens de fleste kvinnene var unge, var mennene godt voksne og kom gjerne fra arbeiderklassen og hadde tradisjonelle eller ufaglærte yrker, håndverksbakgrunn eller løs tilknytning til arbeidsmarkedet. De fleste innsatte var ugifte, skilte eller enker/enkemenn. 

Oppholdstiden varierte mellom to til seks måneder. Men mange var gjengangere som ble innsatt flere ganger, ofte med korte mellomrom.

Tvangslemmer
Register over tvangslemmer 1843 - 1849. Her ser vi lemmenes navn, alder, fødested, legemsbygnings, hår- og øyefarge m.m.
Bilde: Tvangsarbeidsanstalten i Bergen, register Fa 1, Bergen byarkiv.

Arbeid og produksjon

Arbeidet ved anstalten omfattet spinning, strikking, veving og drevplukking. En del produkter ble solgt gjennom anstaltens eget utsalg. Etter hvert ble virksomheten utvidet med flere håndverk, og protokollene viser at mange lemmer behersket flere fag. Enkelte tvangslemmer ble lånt ut til kommunen eller til private arbeidsgivere under tilsyn for å brolegge gater, grave brønner, vaske boliger el.a. Arkivet inneholder protokoller over utlånte lemmer for perioden 1847 – 1911.

Bygninger og fasiliteter

I 1850 ble den eldre bygningen erstattet av en stor, men enkel trebygning i tre etasjer. I 1865 ble en ny og mer moderne anstaltsbygning tegnet av arkitekt Frederik H. Stockfleth reist i Allehelgens gate 5. 

Arbeidsanstalten
Den nye arbeidsanstalten fra 1865. Uten år.
Bilde: Olaf Andreas Svanøe, Gamle Bergen Museum.

Fattigavdelingen flyttet inn i den nye bygningen, mens tvangsarbeiderne ble værende igjen i den eldre.

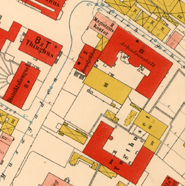
Tvangsarbeidsanstalten og Arbeidsanstalten.
Her ser vi plasseringen av Arbeidanstalten av 1865 (rød bygning) og Tvangsarbeidsanstalten av 1841/1850 (gul bygning bak).
Bilde: Generalkartet av 1880, Bergen byarkiv.

Den nye bygningen hadde blant annet egen kirke og inneholdt kontorer for funksjonærer og fattigkommisjonen, spiserom, dampkjøkken og dampvaskeri og utsalgsbod. Her var også gamlehjem, sykehus for eldre, kronisk syke pasienter og for venerisk syke kvinner, samt fødestue, særlig for fattige piker. Her holdt også Folkekjøkkenet til, byens kommunale bespisningsordning. 

Rivningssak, Allehelgensgate 3.
Fra rivningssaken i 1966. Her ser vi både den gamle trebygningen fra 1850 og den nyere murbygningen fra 1865.
Bilde: Bygningssjefen i Bergen, Bergen byarkiv.

Begge bygningene ble revet rundt 1967. 

Avvikling

På 1850‑tallet ble mellom 100 og 200 personer innsatt hvert år. Ti år senere steg tallet til rundt 250 før det senere sank. Med løsgjengerloven av 1900, som krevde rettslig dom for innsettelse, falt tallet kraftig, og i 1912 ble tvangsarbeidsanstalten i Bergen lagt ned. 

Tvangsarbeiderne ble overført til Oslo og senere til den statlige tvangsarbeidsanstalten Opstad på Jæren. Beboerne på fattigavdelingen ble flyttet til Bergens kommunale arbeids‑ og pleiehjem, som ble etablert i de gamle sykehuslokalene i Teatergaten.

Kilden på Digitalarkivet

Protokollene over lemmer starter i 1843 og inneholder opplysninger om innsettelsesdato, oppholdets lengde, når utskrevet, alder, fødested og sivilstand. Feltene varierer mellom protokollene. Noen protokoller oppgir også håndverk eller yrkeskompetanse, hvem som initierte innsettelsen og eventuelle anmerkninger. I starten av den første protokollen for perioden 1843–1849 finnes det også beskrivelser av de innsattes høyde, kroppsbygning, øye- og hårfarge samt eventuelle andre kjennetegn.

Søkbart register

Det finnes også et søkbart register for perioden 1850–1875 basert på register Fa 2, 3 og 4. 

Registeret er ikke koblet direkte til protokollene, men kan brukes til oppslag. Her kan en finne blant annet dato for innsettelse, løpenummer og hvilken side i protokollen opplysningene er innført.

Se også

Litteratur

  • Ertresvaag, Egil: Et bysamfunn i utvikling : 1800-1920. Bergen bys historie, bd. III. Bergen 1995
  • Nedrebø, Yngve (red.): Fattigfolk i Bergens stift 1755-2005. Selja Forlag 2005
  • Ulvund, Frode: “Byens Udskud”? Ein studie av karrierar som innsett i tvangsarbeids- og straffanstaltar i Bergen ca. 1850-75. Avhandling for graden dr. philos ved Universitetet i Bergen 2002
  • Ulvund, Frode: Tippe Tue, «Småfylla» Oline og «Tvangen» i Bergen. Amalie Skrams portrett av tvangsarbeid i Hellemyrsfolket. 
Bergens arbeidsanstalt
Bergens arbeidsanstalt lå i det store mørke murbygget til venstre. Fotografi fra omkring 1900.
Bilde: Ukjent fotograf. Bergen formannskap, Bergen Byarkiv.